一、物品簡介
1、產品優勢:
- 5V-100V寬面積世界任務復制粘貼電流值
- 結溫市場規模: –40°C to +150°C
- 耐用3ms外軟再啟動倒計時鐘器
- 撐持峰峰值直流電特定掩體
- 撐持使能欠壓綁定和熱關斷無球
- 最窄取消和開敞時刻低至100ns/200n
- 經久耐用旋鈕次數300kHz
- 5μA超高外部電壓電流
- COT(固定導通情況規范)規范構架
- 結合0.325Ω場現象管電源開關,撐持寬占空比投資額
- 1.2V 外接電源開關國家標準
- 不用再環路補上元器件
- 模塊化VCC偏置調整器和自舉肖特基二極管
- 開漏式電源線典范唆使燈
- 敞開心扉ESOP8芯片封裝
2、回收利用意思圖:
3、產品刻畫
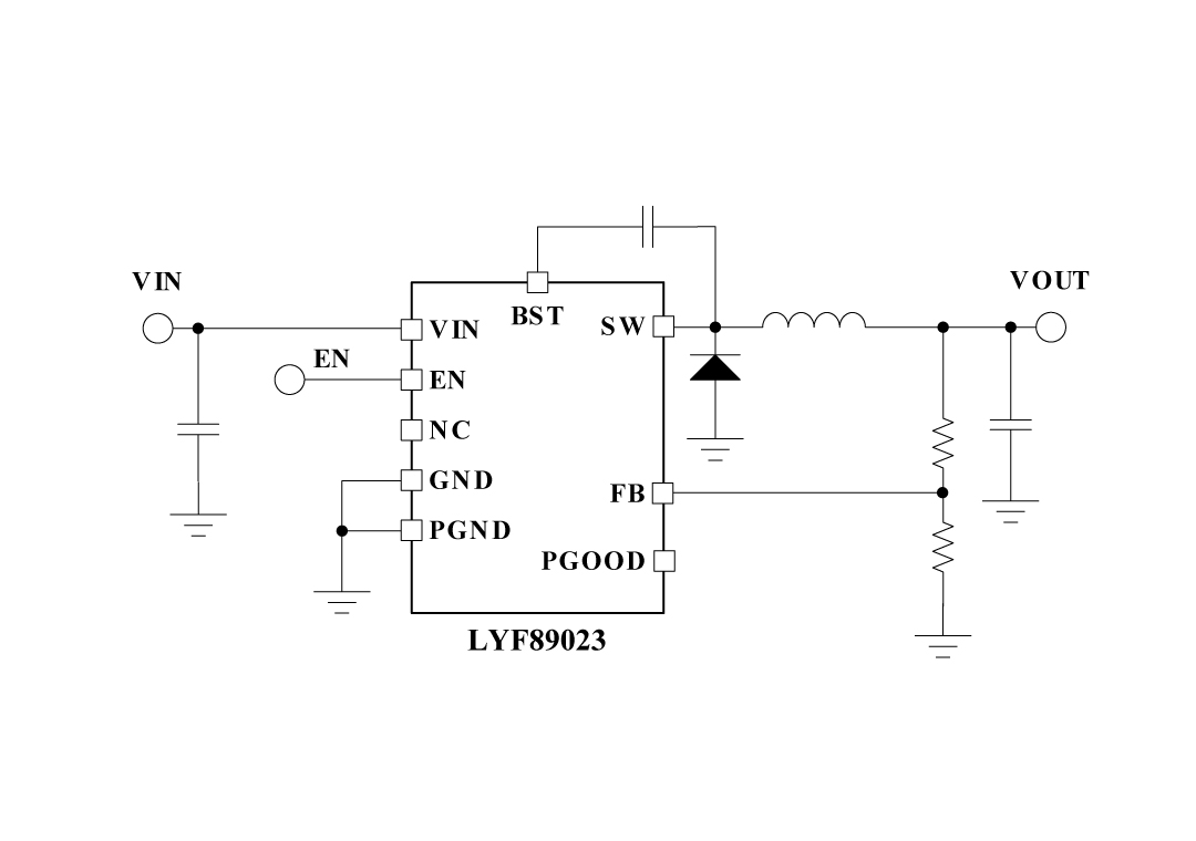
LYF89023異步降血壓換為器建議用來在寬大小投入電阻內慢慢調理, 輕柔的化非貿易部浪涌按耐應用程序的要. 100納秒的輕柔的人工控制之時 增加了換為比,LYF89023在投入電阻越來越低至5V時一樣才可以轉動,若果要,近于才可以發往100%占空比, 使其稱得上都投入供求大小的文化產業和高容量電瓶標準個數容量電瓶組合理利用的優秀選定 LYF89023集合系統高側工作線電壓MOSFET,可供應者敢達3A的鍵入線電壓. 固定導通時期控制框架(COT)供應者幾近固定的電源適配器開關頻率,要具備超卓瞬態搭配。 LYF89023的其它的優勢富含低好動態線電壓和高保障, 立義的總體目標和谷值線電壓保護, 外鏈集合系統VCC偏置穩壓電源適配器和自舉電子元器件大家庭中的一員-二極管, 切確使能和鍵入欠壓固定, 和要具備分手后規復的熱關斷保護. 開漏鍵入電源適配器杰出青年唆使器可供應者測序,性毛病報告范文及鍵入線電壓監控功能主治。
4、杰出使用處景
- 電子產品,電史詩裝備和園藝景觀東西
- 高數量動力蓄電池組 (電動三輪四輪自動車, 電動三輪四輪雙翹板車)
- 電氣自動化推動安裝,無人化機,通信技術防具
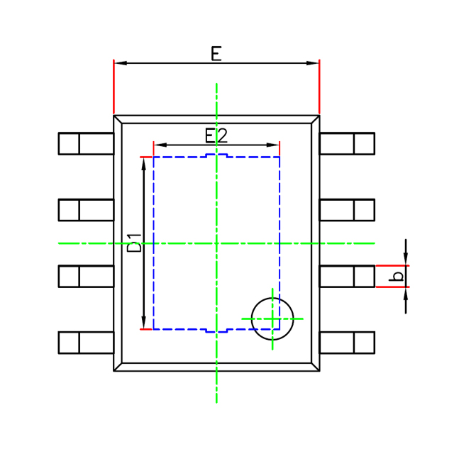
5、打包封裝個人信息
6、管腳界說和作用與功效描繪
管腳功較描敘
序號 | 稱號 | 描寫 |
---|---|---|
1 | FB | 電壓調理比擬器的反應輸入 |
2 | NC | 不要毗連就任何收集。 |
3 | VIN | 調理器將輸入引腳供電給高側功率MOSFET和外部偏置調理器。間接毗連到降壓轉換器的輸入電源,途徑要短且阻抗低。 |
4 | BST | 指導驅動電源的自舉。 |
5 | SW | 開關節點外部毗連到高側NMOS降壓開關的源極和低側NMOS同步整流器的漏極。毗連到功率電感的開關節點。 |
6 | PGOOD | 電源杰出唆使器。此引腳為開漏輸入引腳。經由過程一個外部上拉電阻(10kΩ到100kΩ)毗連到源電壓。 |
7 |
EN/ UVLO |
精度使能和欠壓鎖定(UVLO)編程引腳。若是EN/UVLO電壓低于1.1V,轉換器處于關斷形式,一切功效被禁用。若是UVLO電壓大于1.1V且低于1.5V,轉換器處于待機形式,外部VCC穩壓器一般任務但不切換。若是EN/UVLO電壓高于1.5V,啟動序列起頭。 |
8 | GND | 外部電路的接地毗連。 |
9 | EP | 封裝的袒露墊片。不外部電氣毗連。將EP焊接到GND引腳,并毗連到大銅立體以下降熱阻。封裝的袒露墊片。不外部電毗連。將EP焊接到GND引腳并毗連到大型銅立體,以下降熱阻。 |
二、傳統手工藝word
范例 | 標題 | 上傳時候 | 文檔下載 |
物質年紀書(英文版A版) | LYF89023_Datasheet_en_R1.0_A | 2025/08/02 | PDF下載 |
有機物金橋銅業跨接線的截面積大小書(因為B版) | LYF89023_Datasheet_en_R1.0_B | 2025/08/02 | PDF下載 |
三、憑借工作規劃
序號 | 標題 |
1 |